PREVIEW
SIM1-02D2M

Package : DIP40
RoHS : YES
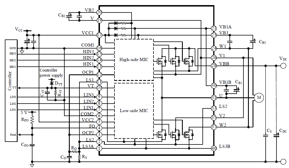
The SIM1-02D2M is a high voltage 3-phase motor driver in which transistors, pre-drive circuits, and bootstrap circuits (diodes and resistors) are highly integrated. The product can optimally control the inverter systems of low- to medium-capacity motors that require universal input standards.
Data Download
Design Support
- Technical Documents
- Tools / Models
Technical Documents
Tools / Models
Features
- Pb-free (RoHS Compliant)
- Temperature Sensing Function
- Built-in Bootstrap Diodes with Current Limiting Resistors (60 Ω)
- CMOS-compatible Input (3.3 V or 5 V)
- Fault Signal Output at Protection Activation (FO Pin)
- Protections Include:
Overcurrent Protection (OCP):
High-side (OCP1): Auto-restart
Low-side (OCP2): Auto-restart
Undervoltage Lockout for Power Supply
High-side (UVLO_VB): Auto-restart
Low-side (UVLO_VCC): Auto-restart
Thermal Shutdown (TSD): Auto-restart
Application
For motor drives such as:- Refrigerator Compressor Motor
- Fan Motor and Pump Motor for Washer and Dryer
- Fan Motor for Air Conditioner
- Fan Motor for Air Purifie
Specifications
| Type | Power IC |
|---|---|
| Breakdown Voltage | 600 V |
| Output Current | 2.0 A |
|
RDS(ON) max./ VCE(SAT) typ. |
3.6Ω |
| Output Element | MOSFET |
| Input Threshold | 3.3/5.0 V |
| UVLO | YES |
| Overcurrent (OCP or OCL) | OCP |
| Temperature Detection | Thermal Shutdown |
| Fault Signal Output | YES |
| 3 Shunt Support | YES |
| Bootstrap Diode | Built-in |
| Simultaneous On-state Protection | NO |
| Reg Output | NO |
| Package Weight (Typ.) | 5.2 g |
| Automotive Qualified | NO |
Typical Application

Block Diagram

Pin Configuration Definitions

Physical Dimensions

Questions or Comments?
Please feel free to contact us if you cannot find the desired product from the lineup.