ACTIVE
SAM265M50AS3

Package : DIP30
RoHS : YES
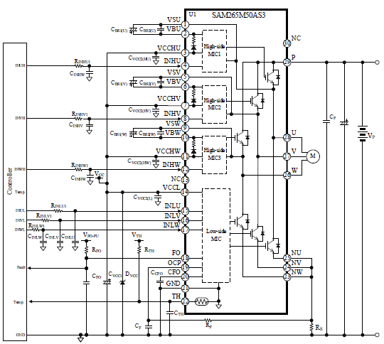
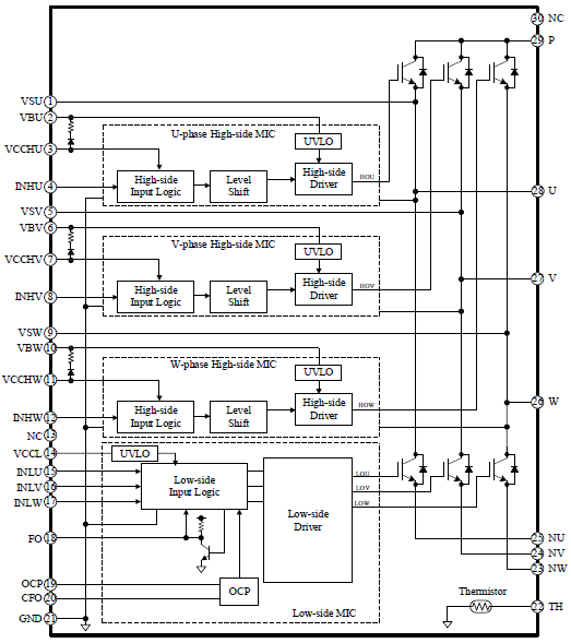
The SAM265M50AS3 is a 3-phase brushless motor driver in which output transistors, a pre-drive circuit, bootstrap diodes with current-limiting resistors, and a temperature-sensing thermistor are highly integrated. The IC is suitable for driving 3-phase motor of an automotive high voltage auxiliary equipment system.
Data Download
Design Support
- Technical Documents
- Tools / Models
- Related Information
Technical Documents
Tools / Models
Related Information
Features
- AQG324 Qualified
- Pb-free (RoHS Compliant)
- Isolation Voltage: 2500 V (for 1 min)
(UL-recognized Component) - Built-in Thermistor
- Built-in Bootstrap Diodes
- CMOS-compatible Input (3.3 V or 5 V)
- Fault Signal Output at Protection Activation
- Shutdown Signal Input
- Adjustable OCP Hold Time
- Protection Functions
Undervoltage Lockout for Power Supply
VBx Pin (UVLO_VBx): Auto-restart
VCCL Pin (UVLO_VCCL): Auto-restart
Overcurrent Protection (OCP): Auto-restart
Application
For driving 3-phase motor of the following high voltage auxiliary equipment system such as electrified vehicles (xEV):- Electric Compressor
- Electric Oil Pump
Specifications
| Breakdown Voltage | 650 V |
|---|---|
| Output Current | 50 A |
| Supply Voltage | 25.00 V |
| Power Dissipation | 150 W |
| Junction Temperature | -40~175 ℃(IGBT、フリーホイールダイオード) |
| Operating Case Temperature | -40~125℃ |
| Protection Function | UVLO, OCP |
| Output Power Device | IGBT |
| Package Weight (Typ.) | 23 g |
| Automotive Qualified | YES |
Typical Application

Block Diagram

Pin Configuration Definitions

Physical Dimensions

Questions or Comments?
Please feel free to contact us if you cannot find the desired product from the lineup.