開発中
SAM212M10AF1

パッケージ名 : DIP30
RoHS : YES
設計サポート
特長
- AQG324準拠
- Pbフリー(RoHS対応)
- 絶縁耐圧2500 V(1分)保証
- サーミスタ内蔵
- ブートストラップダイオード内蔵
- CMOS(3.3 V、5 V 系)入力レベル対応
- エラー信号出力(保護回路動作時)
- シャットダウン信号入力
- 過電流保護保持時間調整可能
- 保護機能
電源電圧低下保護機能
VBx端子(UVLO_VBx):自動復帰
VCCL端子(UVLO_VCCL):自動復帰
過電流保護機能(OCP):自動復帰
アプリケーション
電動車(xEV)の高圧補機システムの3相モータ駆動- 電動コンプレッサ
- 電動オイルポンプ
- 電動ウォーターポンプ など
主要特性
| 出力耐圧 | 1200 V |
|---|---|
| 出力電流 | 10 A |
| 電源電圧 | 25.00 V |
| 許容損失 | 115.3 W |
| 接合部温度 | -40~175 ℃(IGBT、フリーホイールダイオード) |
| 動作時ケース温度 | -40~125℃ |
| 保護機能 | UVLO, OCP |
| 出力パワー素子 | IGBT |
| 質量 (Typ.) | 23 g |
| 電装品対応 | YES |
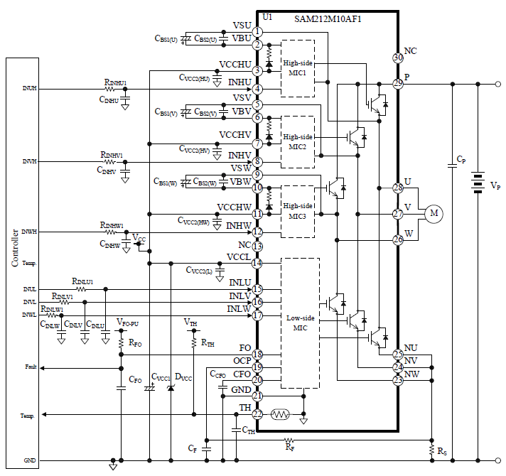
応用回路例

ブロックダイアグラム

各端子機能

外形図

製品のお問い合わせやご相談はこちら
ご希望の製品がラインアップから見つからない場合もお気軽にお問い合わせください。