量産中
SPF6102

パッケージ名 : HSOP48
RoHS : YES
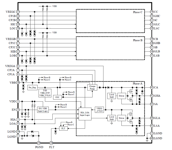
SPF6102は、3相ブラシレスモータ用ドライバICです。モータの最大印加電圧が150 V以下のアプリケーションに最適です。
本ICは、ブートストラップ回路で駆動し、この昇圧電源(ブートコンデンサ)への電荷は、IC内部の補助電源から供給します。この補助電源は、IC内部のチャージポンプ回路で昇圧されており、車載特有のバッテリー変動に依存しない安定した電圧を、ゲート駆動回路に供給します。
パッケージは、小型で高放熱な面実装パッケージHSOP48を採用し、高集積化が可能です。豊富な保護機能を搭載し、少ない外付け部品で3相ブラシレスモータを駆動できます。
データダウンロード
設計サポート
- 技術資料
技術資料
特長
- ・AEC-Q100対応
・ブートストラップダイオード内蔵
・補助電源内蔵(VREGX)
・端子部Pbフリー(RoHS対応)
・イネーブル機能(EN = “L”で全相遮断)
・保護回路動作時フォルト信号出力
・保護機能
同時オン防止機能
VBB端子過電圧保護(VBB_OVP)
低入力電圧保護機能
- VBB端子(VBB_UVLO)
- VDD端子(VDD_UVLO)
- VREGx端子(VREGx_UVLO)
過熱保護機能(TSD)
アプリケーション
- 電動パワーステアリング(EPS)
- ISG(Integrated Starter Generator)ハイブリッドシステム
- ラジエータポンプ
- エアコンのファン などの3相DCブラシモータの駆動
主要特性
| 電源電圧 | 35.00 V |
|---|---|
| 回路電流 | 15.00 mA |
| 出力電流 | |
| 出力リーク電流 | |
| 出力オン抵抗 | |
| 入力電圧 | -0.3~6.0 V |
| 許容損失 | 3.57 W |
| 接合部温度 | -40~150 ℃ |
| 動作周囲温度 | -40~105 ℃ |
| 保護回路 | |
| 質量 (Typ.) | 0.99 g |
| 電装品対応 | YES |
ブロックダイアグラム

各端子機能

外形図

製品のお問い合わせやご相談はこちら
ご希望の製品がラインアップから見つからない場合もお気軽にお問い合わせください。