新製品
SAM265M30BF1

パッケージ : DIP30
RoHS : YES
設計サポート
- 技術資料
- ツール / モデル
ツール / モデル
特長
- Pbフリー(RoHS対応)
- 絶縁耐圧2500 V(1 分)保証
- サーミスタ内蔵
- ブートストラップダイオード内蔵
- CMOS(3.3 V、5 V 系)入力レベル対応
- エラー信号出力(保護回路動作時)
- シャットダウン信号入力
- 過電流保護保持時間調整可能
- 保護機能
電源電圧低下保護機能
VBx端子(UVLO_VBx):自動復帰
VCCL端子(UVLO_VCCL):自動復帰
過電流保護機能(OCP):自動復帰
アプリケーション
産業機器向け3相モータ駆動- パッケージエアコン用コンプレッサ
- 汎用インバータ など
主要特性
| タイプ | パワーIC |
|---|---|
| 出力耐圧 | 650 V |
| 出力電流 | 30.0 A |
|
RDS(ON) max./ VCE(SAT) typ. |
1.55 V |
| 出力素子 | IGBT |
| 入力スレッシュ | 3.3/5.0 V |
| UVLO | 有 |
| 過電流(OCP or OCL) | OCP |
| 温度検知 | |
| エラー出力 | 有 |
| 3シャント対応 | 有 |
| ブートストラップダイオード | 内蔵 |
| 同時オン防止機能 | 無 |
| Reg出力 | 無 |
| 質量 (Typ.) | 23 g |
| 車載対応 | NO |
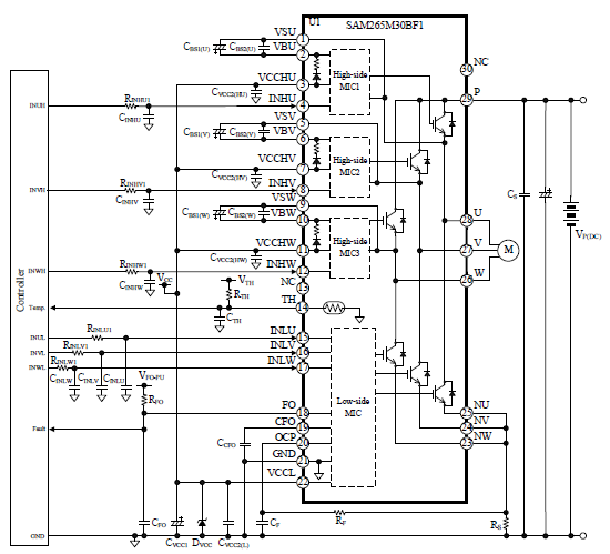
応用回路例

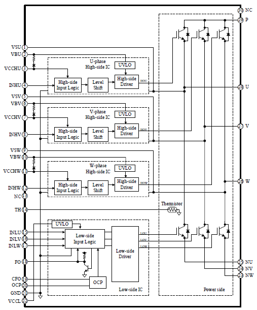
ブロックダイアグラム

各端子機能

外形図

製品のお問い合わせやご相談はこちら
ご希望の製品がラインアップから見つからない場合もお気軽にお問い合わせください。