Not Recommended for New Design
SMA6823MH

Package : ZIP24
RoHS : YES
SMA6823MH includes 500V/1.5A power MOSFET for the 3-phase bridge; UVLO (undervoltage lock out), TD (thermal detection) protection functions; predriver IC with 7.5V regulator output function, and bootstrap diode with limit resistors in a single package. Available in full mold package.
Data Download
Design Support
- Technical Documents
Technical Documents
Features
-
・Built-in bootstrap diodes with limit resistors (22Ω)
・Built-in CMOS compatible input (3.3 V and 5.0 V)
・Built-in UVLO function
・Built-in TD (thermal detection)function (continuous, Fo Output)
・Built-in regulator output function (7.5V/35mA)
・SIP package
Application
Motor control for• Air conditioner fan
• Small ventilation fan
• Dryer fan
Specifications
| Type | Power IC |
|---|---|
| Breakdown Voltage | 500 V |
| Output Current | 2.5 A |
|
RDS(ON) max./ VCE(SAT) typ. |
2.4Ω |
| Output Element | MOSFET |
| Input Threshold | 3.3/5.0 V |
| UVLO | YES |
| Overcurrent (OCP or OCL) | None |
| Temperature Detection | Temperature Detection Function |
| Fault Signal Output | YES |
| 3 Shunt Support | NO |
| Bootstrap Diode | Built-in |
| Simultaneous On-state Protection | NO |
| Reg Output | YES |
| Package Weight (Typ.) | |
| Automotive Qualified |
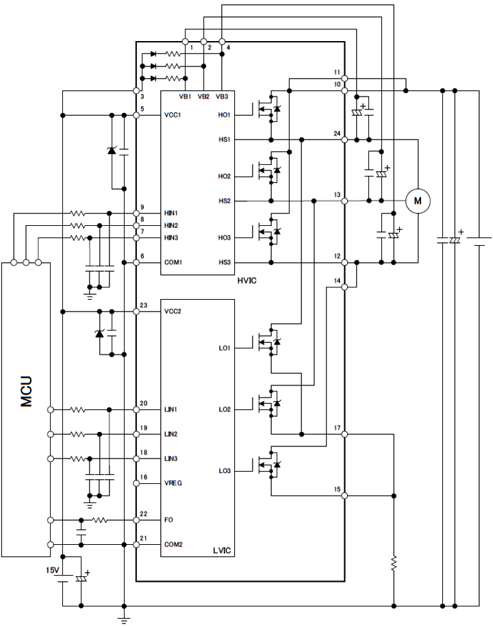
Typical Application

Block Diagram

Pin Configuration Definitions

Physical Dimensions

Questions or Comments?
Please feel free to contact us if you cannot find the desired product from the lineup.