
Package : DIP8
RoHS : YES
STR3A100 series are power ICs for switching power supplies, incorporating a power MOSFET and a current mode PWM controll IC in one package.
Including a startup circuit and a standby function in the controller, the product achieves low power consumption, low standby power,
and high cost-effectiveness in power supply systems, while reducing external components.
Data Download
Design Support
- Technical Documents
Technical Documents
Features
-
・Low Thermal Resistance Package
・Current Mode Type PWM Control
・Soft Start Function
・No Load Power Consumption < 15mW
・Auto Standby Function
Normal Operation: PWM Mode
Standby: Burst Oscillation Mode
・Random Switching Function
・Slope Compensation Function
・Leading Edge Blanking Function
・Bias Assist Function
・Protections
Two Types of Overcurrent Protection (OCP); Pulse-by-Pulse, built-in compensation circuit to minimize OCP point variation on AC input voltage
Overload Protection (OLP); auto-restart
Overvoltage Protection (OVP); latched shutdown
Thermal Shutdown Protection (TSD); latched shutdown
Application
・Low power AC/DC adapter・White goods
・Auxiliary power supply
・Other SMPS
Specifications
| Control Method | PWM |
|---|---|
| Type | Power IC |
| Output Current | 29 W |
| RDS(ON) (max.) | 3.000 Ω |
| VDSS (min.) | 650 V |
| VCC (max.) | 32 V |
| Oscillating Frequency(typ.) | 67 kHz |
| OCP | YES |
| OLP | Auto Restart |
| OVP | Latch |
| Brown-in / out | NO |
| TSD | Latch |
| Power Consumption at No Load | <15mW |
| Package Weight (Typ.) | 0.51 g |
| Automotive Qualified |
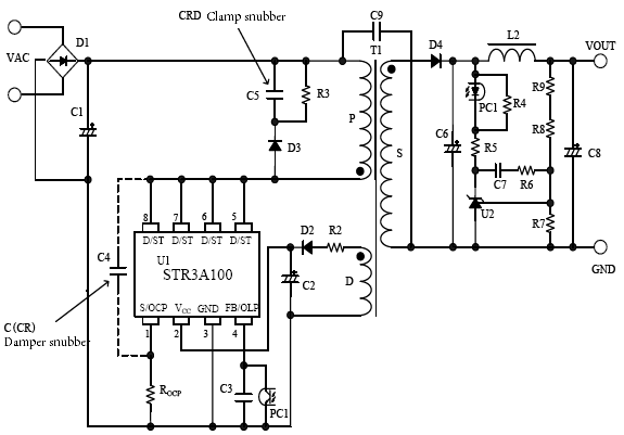
Typical Application

Block Diagram

Pin Configuration Definitions

Physical Dimensions

Selection Guide
STR3A100 Series Lineup| Part number | PWM Frequency | VDSS | Ron | OVP/TSD |
|---|---|---|---|---|
| STR3A1xx | 67kHz | 650V | 1.1~4.0Ω | Latch |
| STR3A1xxD | 67kHz | 650V | 1.1~4.0Ω | Auto Restart |
| STR3A1xxHD | 100kHz | 700V | 2.2~4.2Ω | Auto Restart |
Questions or Comments?
Please feel free to contact us if you cannot find the desired product from the lineup.